-
Saab parts 900 - 1 ( 1978 - 1993 )
Klimaanlage AC Technik Informationen
Erklärung zu den unterschiedlichen Kompressoren
----------------------------------------------------------------------------------------------
1 - 9481508 - Marke Sanden 900-1 (1884-1987) Vergaser-Versionen
2 - 9481516 - Marke Sanden 900-1 (1984-1987) ( I ) = Einspritzer+Turbo
----------------------------------------------------------------------------------------------
3 - 7495500 - Marke Seiko/Seiki (alte Version)
Kältemittel R-12 für 900 ( B-201 ) 8-Ventiler
4 - 7495492 - Marke Seiko/Seiki (alte Version)
Kältemittel R-12 für 900 ( B-202/212) 16-Ventiler
----------------------------------------------------------------------------------------------
Hinweis:
Kältemittel R-12 wurde wegen Umweltgefährdung verboten,
wird von Fachwerkstätten demnach auch nicht mehr nachgefüllt.
Als Ersatz gibt es das Kältemittel (R -134-a)
Achtung - nicht verwechseln mit dem auch angebotenen R-143-a
Umrüsten auf R-134-a ist möglich, indem die alte Anlage gereinigt wird.
Grund :
R-12 Anlagen arbeiteten mit mineralischem Öl
R-134-a Anlagen mit synthetischem Öl
Allerdings sollten Dichtungen und der Trockner (ET-Nr = 4070934)
grundsätzlich ausgetauscht werden, um sicherzustellen,
dass die gesamte Anlage nach dem Umrüsten dicht ist.
(Umrüstsatz gibt es für ca. 105 € )
Zusätzlich sollte bei der Befüllung ein Kontrastmittel zugefügt werden.
Dies wird dann Leckagen in kurzer Zeit anzeigen.
----------------------------------------------------------------------------------------------
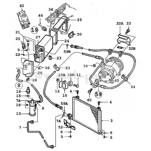
Prüfen Sie Ihre Saab Kompressor-Version anhand der ET-Nr.!
9481979 900 -1 8-Ventiler (1988-1989) Marke Seiko-Seiki
4070827 900- 1 8-Ventiler (bis 1990)
4073995 900- 1 8+16-Ventiler (1990 )
4071718 900- 1 16-Ventiler (1991-1993) 
-
1 - Schlauchsatz Klimaanlage Verdampfer Marke Sanden
8 - Schlauch + Rohr ( Trockner an Verdampfer ) " Sanden " ( gebraucht )
8 - Schlauch + Rohr ( Trockner an Verdampfer ) "Sanden " ( Neuteil )
10 - Ventil ( r o t ) Kompressor Klimaanlage
22 - Ventil (Überdruck ) Kompressor Klimaanlage
1000 - Dichtsatz Klimaanlage Universal Saab






