-
Saab parts 900 Typ 1 ( 1978-1993 )
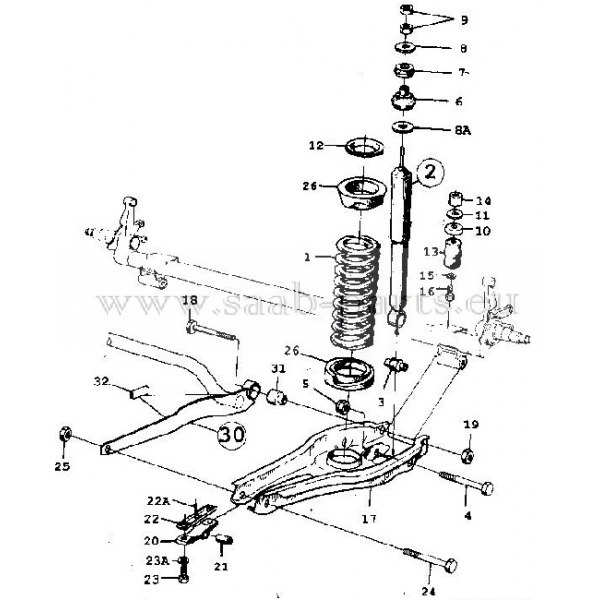
Federung hinten 
-
1 - Feder Achse hinten ( 305 x 15 mm ) ( Motoren Turbo )
1 - Feder Achse hinten ( 335 x 14 mm ) Motoren Sauger
2 - Stossdämpfer hinten Marke K.Y.B. mit Sportpaket und Tieferlegung ( ausverkauft )
2 - Stossdämpfer hinten Marke K.Y.B. ohne Sportpaket - ohne Tieferlegung
2 - Stossdämpfer Marke Sachs Gasdruck - hinten ( ausverkauft )
3 - Gummilager Stoßdämpfer -hinten-
4 - Schraube Stossämpfer Achse hinten
7 - Buchse Stoßdämpfer
8 - Buchse Stossdämpfer oben Saab original neu
9 - Scheibe Stoßdämpfer oben
10 - Mutter ( M10 x 1,0 mm ) Stoßdämpfer + Bremssattel vorne
13 - Gummi Anschlag Achse hinten zur Karosserie
21 - Buchse Längslenker zur Karosserie Achse hinten 9000
26 - Gummilager Feder Achse hinten ( oben + unten ) 900-1 gebraucht
31 - Buchse Stabilisator Achse hinten Aero
44 - Mutter Sicherung











