-
Saab parts 9000 ( 1985 - 1989 )
Klimaanlage AC - Ventilation 
-
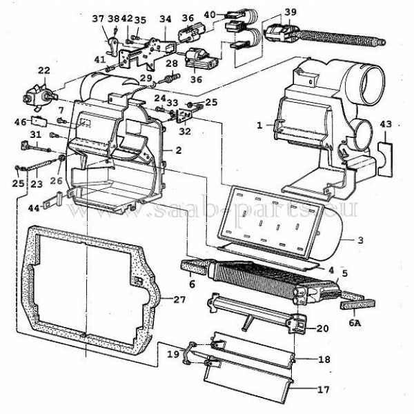
14 - Gebläsemotor Ventilator Heizung Neuteil
17 - Klappe mit Gelenk
23 - Regelzug Heizung Lüftung ACC 9000 ( 1985-1993 )
34 - Filter Innenluft 9000 ( 1991 -1993 ) Modelle ohne Klimaanlage
36 - Stellmotor Lüftungsklappe Klimaanlage 9000 ( 1985-1998 ) ausverkauft
36 - Stellmotor Lüftungsklappen 9000 ( 1985 - 1993 ) gebraucht
36 - Stellmotor Lüftungsklappen 9000 ( 1994 - 1998 ) gebraucht







