-
9000
electric
speed/instruments
1992-93 -
- Glühlampe Warnleuchte
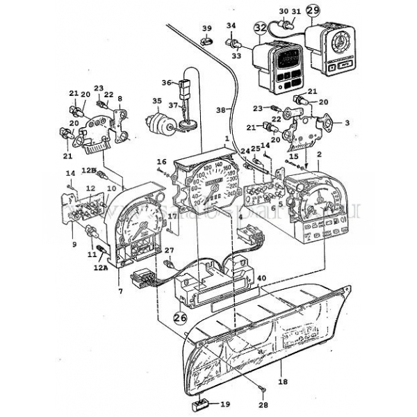
13 - Rheostat Kühlkörper Armaturen ( 1985 -1998 )
26 - Display EDU 3 Getriebe Automatik 9000 (1996-1997 )
26 - Display EDU 3 -Getriebe Manuell - 9000 (1993-1994 )
27 - Fassung mit Birne Tachoinstrument 900-1 (1978-1993) + Cabrio (1994)
29 - Uhr mit Display Control
30 - Glühbirne 12V-3W Instrumente
32 - Bordcomputer 9000 alle (1992-1993)
35 - Geber Tacho elektrisch 9000 (1992-1998)