-
Saab parts 900-1 ( 1978 - 1993 )
Motor Technik
Kraftstoff Systeme Vergaser 
-
- Dichtung Solex Vergaser
- Leerlauf Ventil Vergaser 900-1 ( 1978-1986 )
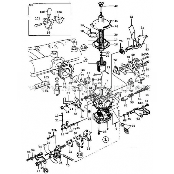
1 - Dichtungen Satz Vergaser Stromberg System 175
5 - Dichtung Vergaser Vorratstank Solex
10 - Benzinfilter Vergaser ( 1978-1986 )
16 - Membrane Vergaser - Solex / Stromberg 175
17 - Behälter Vorrat Kühlwasser 900
27 - Ventil
31 - Membrane Pierburg Vergaser (Saab Original neu )
31 - Membrane Solex Vergaser
35 - Zug Leerlaufeinstellung Modelle Vergaser
47 - Halterung an Vergaser Solex
53 - Rückholfeder Solex Vergaser
68 - Membrane Vergaser Solex