-
9000
chassis
rear axes
springs 
-
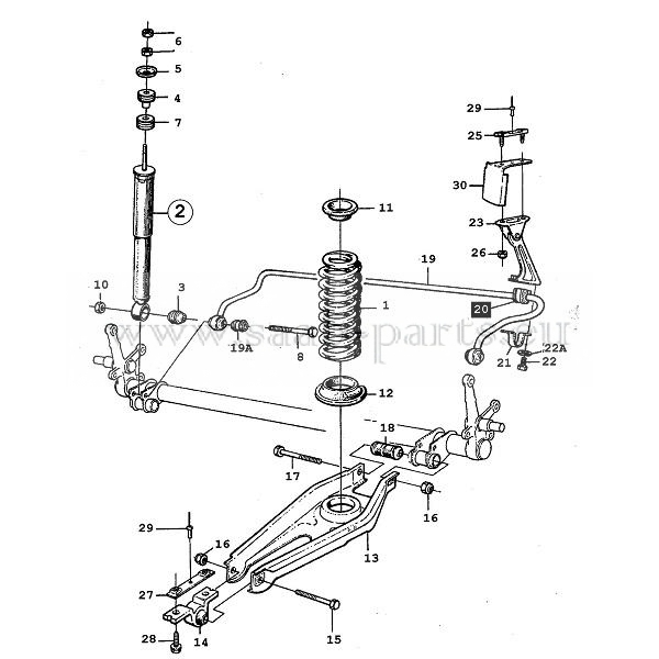
1 - Feder Achse hinten ( 298 x 15,2 mm) 9000 AERO T-16-S (verstärkt)
1 - Feder Achse hinten gelb / weiss (13,5 mm) 9000 AERO T-16-S
1 - Feder Achse hinten gelb / weiss (13,5 mm) 9000 AERO T-16-S
2 - Stoßdämpfer hinten Marke BILSTEIN SPORT
2 - Stoßdämpfer hinten Marke SACHS
4 - Gummibuchse Stossdämpfer hinten ( obere ) ( ausverkauft)
5 - Scheibe Federung hinten
7 - Gummibuchse Stoßdämpfer hinten ( untere )
8 + 18 - Schraube mit Mutter Stabilisator/Achse/Stoßdämpfer hinten
10 - Mutter ( M10 x 1,0 mm ) Stoßdämpfer + Bremssattel vorne
11 - Isolator Feder oben Achse hinten Neuteil
13 - Federlasche Achse hinten
18 - Gummibuchse Achskörper hinten
19 - Lagerbuchse Stabilisator hinten
19 - Stabilisator Achse hinten nur 9000 CS (1994-1998)
20 - Buchse Gummi Stabilisator 9000 CD ( 1988-1997 )
20 - Buchse Gummi Stabilisator 9000 CS ( 1992-1998 )
23 - Gelenk Stabilisator an Karosserie Achse hinten links
23 - Gelenk Stabilisator an Karosserie Achse hinten rechts
25 - Tragplatte für Gelenk Achse hinten
38 - Mutter Sicherung verzinkt M12x1,75