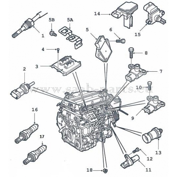
• Saab parts                    9-3  ( 2003 - 2011 )

    Motor  B - 207  
    Technik
                           Sensoren - Geber

  •      Saab...