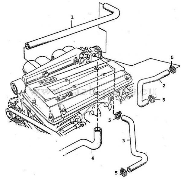
• Saab parts                    9000  ( 1985 - 1998 )

    Motoren  Technik     
       Vorwärmung  Sauger

  •      Saab...